Main Menu
avatar_HP_Cuda

Great reference info on Chrysler Electronic Ignition

Started by HP_Cuda, April 19, 2017, 09:32:43 AM

Previous topic Next topic

0 Members and 2 Guests are viewing this topic.

HP_Cuda


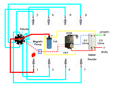
Saw this post and thought it would be a great addition to the site. If you are having any difficulty with your electronic ignition this post has a ton of great info and troubleshooting specifics to help you out.

Believe it or not it comes from a winnebago site!
http://www.classicwinnebagos.com/forum/index.php?topic=3424.0

Besides the fact that it has this great animated gif which caught my eye initially:



Enjoy!
1970 Cuda Yellow 440 4 speed (Sold)
1970 Cuda clone 440 4 speed FJ5
1975 Dodge Power Wagon W200

HP_Cuda


The one thing I will add to this post is that the reason I point out to folks to check the resistance of their coil, ballast resistor and wires is that the higher the resistance the lower the voltage that goes to the coil.

Having the coil operate at 8-9V is optimal but when it goes below that and you wonder why you have poor starting, poor idle and acceleration - now you know one more place to look.

:twothumbsup:
1970 Cuda Yellow 440 4 speed (Sold)
1970 Cuda clone 440 4 speed FJ5
1975 Dodge Power Wagon W200

Cuda Cody



fc7cuda


303 Mopar


73440


Aar1064



Tags: